Your angle grinder has suddenly stopped working in the middle of a critical project, leaving you frustrated and facing expensive replacement costs. Whether you’re using a DeWalt, Makita, Bosch, or other brand, these powerful tools eventually develop problems from heavy use. The truth is, most angle grinder issues are fixable with basic tools and some mechanical know-how. This guide shows you exactly how to diagnose and repair common problems, potentially saving you hundreds of dollars while keeping your projects moving forward.
Before you consider replacing your malfunctioning angle grinder, understand that 80% of failures stem from just a few common issues: worn brushes, electrical problems, or simple mechanical wear. By learning to identify and address these problems yourself, you can extend your tool’s life significantly while avoiding unnecessary repair bills. In this comprehensive guide, you’ll discover step-by-step repair procedures that work across most major angle grinder brands.
Diagnose What’s Wrong Before Repairing
Your angle grinder’s symptoms tell the story of what needs fixing—ignoring proper diagnosis wastes time and money replacing good parts. Start by observing exactly how your tool is failing. Does it refuse to start entirely? Does it run weakly or cut out during use? Does it vibrate excessively or make unusual noises? Each symptom points directly to specific components that need attention.
A grinder that won’t power on typically has electrical issues—faulty power cord, damaged switch, or worn-out carbon brushes. If your tool starts but produces excessive sparks, you’re likely dealing with brush or commutator problems. Excessive vibration usually indicates bearing failure or mechanical damage to the spindle. Tools that work intermittently often have loose connections or failing switches.
How to Test Electrical Components with a Multimeter
Grab your multimeter and verify power flow through your angle grinder’s electrical system. Set your meter to continuity mode and check the power cord for breaks—test from plug to tool connection. For cordless models, verify battery voltage matches specifications. Next, test the switch by activating the trigger while checking for continuity across its terminals. A good switch shows near-zero resistance when activated and infinite resistance when released.
If power reaches the motor but the tool still won’t run, inspect the carbon brushes. Remove the brush caps (usually held by small screws) and check brush length—anything less than 1/4 inch needs replacement. While you’re there, examine the commutator for burn marks or uneven wear that would cause poor electrical contact.
Recognize Dangerous Symptoms That Require Immediate Attention
Some angle grinder problems create serious safety hazards that demand immediate action. Excessive sparking from the motor housing, burning smells, or visible smoke indicate potentially dangerous electrical faults. Stop using the tool immediately and unplug it or remove the battery. Similarly, any grinding noise from the gear housing or wobble in the spindle creates unsafe operating conditions—continuing to use the tool risks catastrophic failure and injury.
Safety Precautions Before Starting Repairs
Never attempt angle grinder repairs without disconnecting the power source completely. For corded models, unplug the tool and verify no power remains using your multimeter. Cordless models require battery removal—don’t rely solely on the power switch. This critical step prevents accidental startups that could cause severe injury from rotating components.
Essential Protective Gear for Safe Repairs
Working on angle grinders demands proper personal protection. Safety glasses are mandatory to shield your eyes from carbon dust, metal shavings, and flying debris during disassembly. Heavy-duty work gloves protect your hands from sharp edges inside the housing and prevent cuts from metal components. A quality dust mask becomes essential when cleaning motor compartments, as accumulated debris often contains harmful metal particles.
Work in a well-lit, ventilated area with a clean workspace to organize small parts. Take photos with your phone before and during disassembly—these visual references prove invaluable when reassembling complex components. Keep small containers labeled for screws and hardware to prevent mix-ups during reassembly.
Fix Electrical Power Failures
Electrical problems cause more angle grinder failures than any other issue. Start troubleshooting at the power source—test your wall outlet with another working device to verify it’s functional. For cordless models, check battery voltage with your multimeter; a fully charged battery should read within 0.5 volts of its rated capacity.
Repair Damaged Power Cords Properly

Inspect your power cord thoroughly along its entire length, paying special attention to areas near the plug and tool connection where stress fractures commonly occur. Flex the cord while testing operation—if the tool starts working when you bend a specific spot, you’ve found an internal wire break. Never attempt to splice damaged cords; replace them completely with manufacturer-specified replacements to maintain safety certifications.
Check the cord strain relief where it enters the tool housing. This rubber grommet often cracks or pulls loose, allowing the cord to move freely and eventually break internal connections. Replace damaged strain reliefs with exact OEM parts—improper replacements create electrical hazards and void safety certifications.
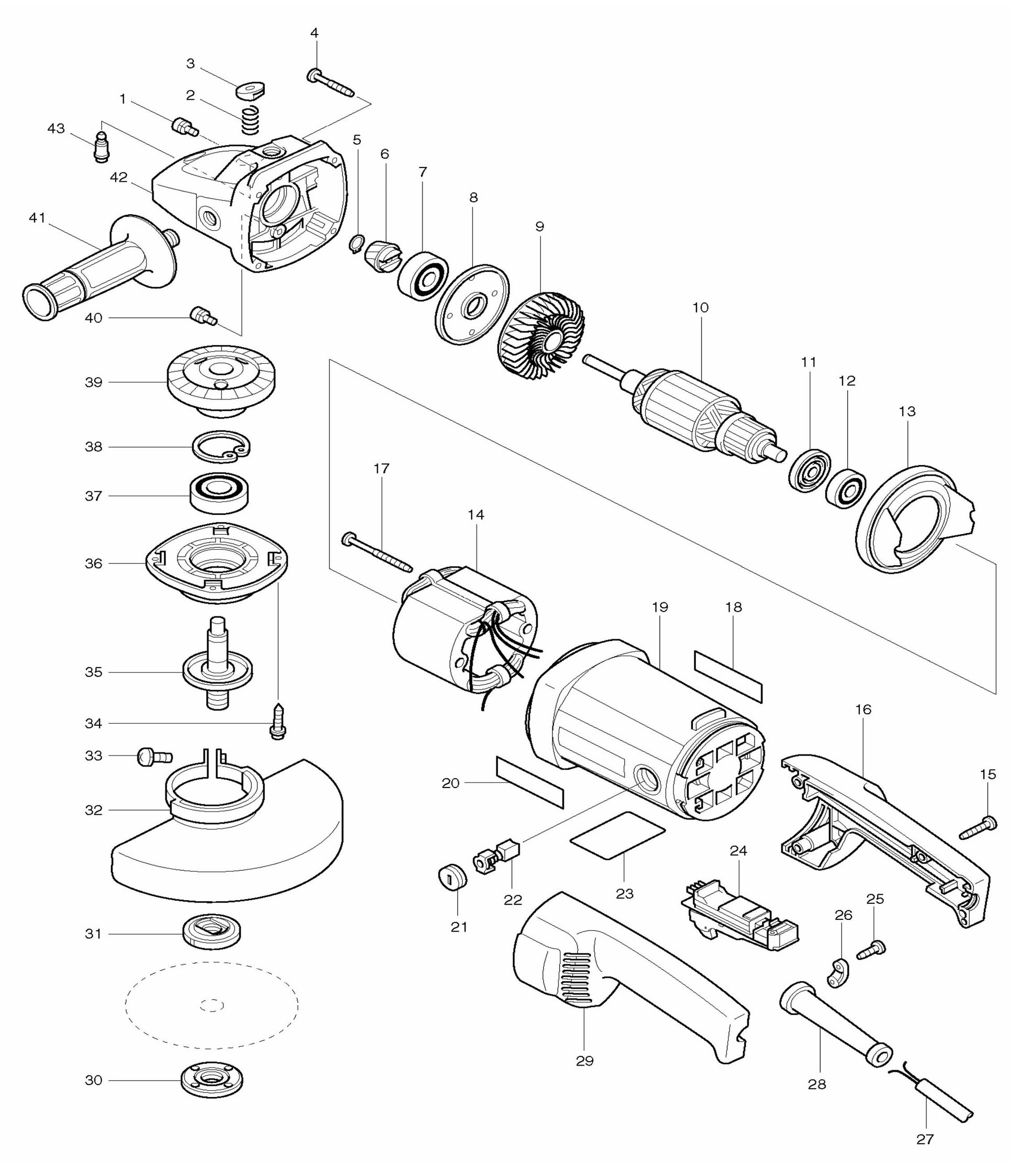
Replace Worn Carbon Brushes
Carbon brush replacement solves most “no power” or “weak operation” issues and ranks as the most common angle grinder repair. Brushes wear down naturally with use, and replacing them before complete failure prevents damage to expensive motor components.
Step-by-Step Brush Replacement Procedure
- Unplug your angle grinder or remove the battery
- Locate the brush caps (typically two circular covers on the motor housing)
- Remove the small retaining screw from each cap using a precision screwdriver
- Carefully pull out each brush assembly, noting spring placement
- Compare old brushes to new replacements—verify identical size and connector type
- Install new brushes, ensuring proper orientation and free movement in their holders
- Replace springs and caps, tightening screws firmly but not excessively
After installation, run your angle grinder at no-load for 15 minutes to properly seat the new brushes against the commutator. This critical break-in period establishes optimal electrical contact and significantly extends brush life.
Repair Faulty Trigger Switches
A failing trigger switch causes intermittent operation, requiring multiple attempts to start the motor or cutting out during use. Switch failures typically stem from worn contacts or internal damage from dust and debris.
How to Replace Your Angle Grinder’s Trigger
- Remove handle housing screws while taking photos of wire routing
- Carefully separate the handle housing halves
- Disconnect switch wiring, noting terminal positions (label wires if needed)
- Test the old switch with your multimeter for proper continuity
- Install the new switch, matching exact specifications for voltage and amperage
- Reconnect wiring according to your photos or labels
- Reassemble the handle housing and test operation
Ensure the new trigger moves smoothly through its range and that any lock-on mechanism functions correctly. A properly installed switch should respond consistently from light pressure to full activation.
Fix Spindle and Bearing Problems

Spindle issues cause dangerous vibration and prevent proper wheel mounting. Inspect your spindle for wobble by rotating it by hand while watching for side-to-side movement. Any noticeable play indicates bearing failure that requires immediate attention.
Bearing Replacement Without Specialized Tools
While professional bearing presses deliver best results, some angle grinder models allow bearing replacement with basic tools:
- Remove the gear housing cover and extract the spindle assembly
- Heat the housing slightly with a hair dryer to expand metal
- Use a socket that matches the bearing outer diameter as a drift
- Gently tap the old bearing out from the opposite side
- Clean the housing thoroughly before installation
- Place the new bearing in position and tap evenly around the outer race
- Reassemble components and test for smooth rotation
Replace both spindle bearings simultaneously—even if only one shows obvious wear—to ensure balanced performance and prevent premature failure.
Prevent Future Problems with Proper Maintenance
Regular maintenance extends your angle grinder’s life significantly and prevents most common failures. Clean motor vents and gear housing after every use with compressed air to remove abrasive dust. Inspect carbon brushes monthly for frequent users, replacing them when they reach half their original length.
Lubricate gear trains according to manufacturer specifications—most require high-temperature grease replacement every six months under heavy use. Store your angle grinder in a clean, dry location protected from dust and impacts. Never operate the tool without proper wheel guards or safety equipment, as these practices accelerate internal damage.
When facing complex repairs like armature rewinding or precision bearing fitting, professional service often provides better value than DIY attempts. However, mastering these fundamental repairs keeps your angle grinder running reliably for years while saving significant money on professional service calls. Always prioritize safety, use genuine replacement parts, and take your time during repairs to ensure reliable, long-lasting results.





